Bmh 70 K302-a2-its 230v 50hz

Kod Elektriko: 90252 | Kod Philips: 8718696740743
Cena
149,45 zł brutto
121,50 zł netto
szt.  
szt.

Ocena

* * * * *

oceń produkt

Parametry wariantu
Napięcie wejściowe 230V
Numerator – Liczba paczek w opakowaniu zewnętrznym 6
Materiał Nr (12NC) 913700751726
Waga netto (szt.) 1.260kg
Częstotliwość wejściowa 50Hz
Temperatura przechowywania (Max) 130°C
Temperatura przechowywania (Min) -30°C
Liczba lamp 1piece/unit
Typ lampy MH
Współczynnik mocy 100% obciążenia (Nom) 0.85
Bezpieczeństwo napięcia sieciowego (AC) -10%-+10%
Wydajność napięcia zasilania (AC) -8%-+6%
Straty mocy (Nom) 11.7W
Długość przewodu 6.0mm
Znamionowa moc konfiguracji lampa-statecznik 70 W
Kod zastosowania K302-A2-ITS
Przekrój przewodu kontaktowego statecznika 2.5mm²
Rodzaj złącza śruba
Aktywna ochrona termiczna tak
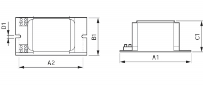
Konstrukcja BC1-118
Prąd wejściowy z korelacją PF 0.45A
Prąd wejściowy bez korelacji PF 0.98A
Współczynnik mocy bez kompensacji PF (Nom) 0.35
Kondensator 12µF/250V
Temperatura w uzwojeniu (Max) 140°C
Warunki normalne Delta-T 55°C
Podstawowe informacje
Znamionowa liczba lamp 1 piece
Częstotliwość sieciowa 50 Hz
Parametry pracy
Bezpieczny zakres nap. siec. -10%/+10%
Zakres napięcia sieciowego -8%/+6%
Wsp. mocy bez kompensacji 0.40 -
Parametry termiczne
Aktywna ochrona termiczna Yes
Spełniane normy i wymogi
Oznaczenie CE Yes
Certyfikat ENEC Yes
Dane produktu
Opakowanie zbiorcze 6

Długotrwałe, niezawodne rozwiązanie

  • Długotrwałe, niezawodne rozwiązanie Chronione PRZED przegrzewaniem
  • Minimalne straty Mocy dzieki ortocyklicznej Technologii nawijania uzwojeń
  • Osprzęt kontrolny mozna instalować FELGI

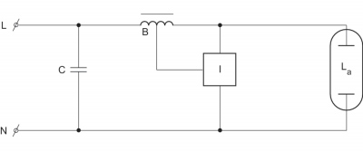
Impregnowane, elektromagnetyczne, Miedziane / żelazne stateczniki z zewnętrznym zapłonnikiem zrób Zastosowania-równoległym w szeregowo CDM lampach, CDO, MH, HPI (Plus) Oraz SON

Charakterystyka Urządzenia

  • stateczniki SĄ wyposażone w termiczny termiczny dla Wyłącznik Ochrony PRZED zjawiskiem Końca okresu Eksploatacji lampy
  • Statecznik mozna stosować w połączeniu z zapłonnikiem równoległym (nałożonym)
  • Standardowo wyposażone w przykręcane złączki; Gniazda DOSTĘPNE na zamówienie
  • Funkcja uziemienia podczas Montażu
  • Stateczniki dla zmiennych napięć sieciowych / częstotliwości DOSTĘPNE na zamówienie

Aplikacje / Zastosowania

  • Oświetlenie zewnetrzne
  • Ogrodnictwo

 

Polecamy również
 Electrostart statecznik magnetyczny do lampy wyładowczej MHI 2000W 380-400V 50Hz
Rated 5.0/5 based on 1 customer reviews
1 227,60 zł
 Elektriko Statecznik do lamp wyładowczych z ochroną termiczną NAL
Rated 5.0/5 based on 1 customer reviews
159,80 zł
 Electrostart  Układ zapłonowy ZX 600-1000W
Polecamy
Rated 5.0/5 based on 1 customer reviews
103,25 zł
Statecznik Philips HID-CSLS Control SDW
Rated 5.0/5 based on 1 customer reviews
120,15 zł
 Elektriko Stateczniki P 35-70-100-150 HI-HS TCI
Rated 5.0/5 based on 1 customer reviews
47,00 zł
 Elektriko Statecznik rtęć MVI
Rated 5.0/5 based on 1 customer reviews
85,50 zł
 Electrostart  Układ zapłonowy ZX 70-400W
Rated 5.0/5 based on 1 customer reviews
30,00 zł
Statecznik Electrostart MHI/HSI 53x69mm
Rated 5.0/5 based on 1 customer reviews
od 65,80 zł
 Electrostart Stateczniki magnetyczner LSI-C do świetlówek
Rated 5.0/5 based on 1 customer reviews
od 25,50 zł
Bmh 70 K302-a2-its 230v 50hz
Rated 5.0/5 based on 1 customer reviews
Zasilacze, stateczniki, transformatory, zapłonniki / Stateczniki elektromagnetyczne

Philips

Bmh 70 K302-a2-its 230v 50hz 90252 90252 90252
149.45 PLN dostępny
P-90252-176502 P-90252-176503 P-90252-176504
Nasze osiągnięcia

e-Gazele Biznesu 2016 e-Gazele Biznesu 2020 e-Gazele Biznesu 2022

Wyróżnienia od Euler Hermes
"Złoty Płatnik 2015"
"Złoty Płatnik 2016"
Złoty płatnik 2015 Złoty płatnik 2016 Eksport

Firma Logisoft - właściciel marki Elektriko - prowadzi nieprzerwanie działalność już 20 lat - od 14 sierpnia 2006 roku. Zaufało nam już 50211 firm. W ofercie posiadamy 18 295 produktów.

Plików cookie używamy do spersonalizowania treści i reklam, aby oferować funkcje społecznościowe i analizować ruch w naszej witrynie.Informacje o tym, jak korzystasz z naszej witryny, udostępniamy partnerom społecznościowym, reklamowym i analitycznym.Partnerzy mogą połączyć te informacje z innymi danymi otrzymanymi od Ciebie lub uzyskanymi podczas korzystania z ich usług. Tutaj możesz dokonać szczegółowych ustawień lub cofnąć zgodę. Więcej informacji znajdziesz w naszej polityce prywatności .