SND 57 220-240V 50/60Hz

Kod Elektriko: 29932 | Kod Philips: 8711500930668
Cena
184,68 zł brutto
150,15 zł netto
Minimalna ilość: 48
szt.  
szt.
Dostawa w ciągu 2-3 dni

Ocena

* * * * *

oceń produkt

Zapłonniki HID do systemów szeregowych

Parametry wariantu
Moc systemu (statecznik+lampa) 50/70
Znamionowa lampa SON
Kod zastosowania 57
Napięcie sieciowe 220-240 V
Korpus SNI-85
Typ zapłonu Semi-Parallel
Straty mocy zasilacza 1.0 W
Napięcie wzbudzenia zapłonu 195 V
Max. czas zapłonu 1185 (max) s
Napięcie zapłonu 1.8 (min), 2.5 (max) kV
Śred. przew. do zac. stat. 0.70-2.50 mm2
T-obudowy max. 90 (max) C
Temp. otoczenia -20 (min), 85 (max) C
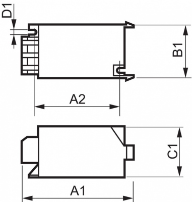
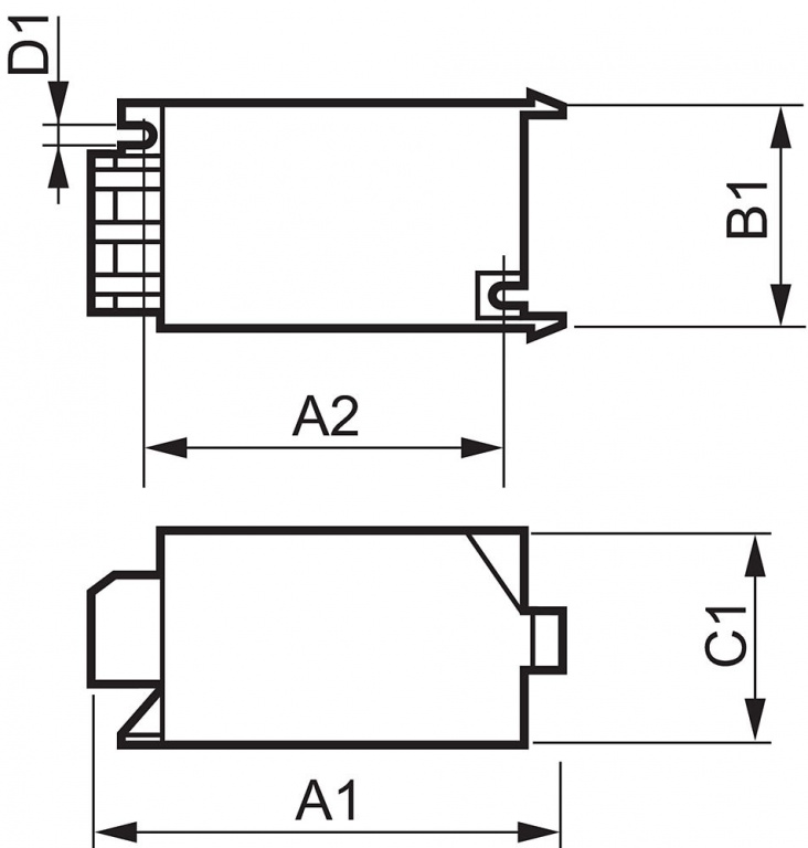
Długość A1 84.5 mm
Odległ. otw. montaż. dł. A2 65.0 mm
Szerokość B1 41.5 mm
Wysokość C1 38.5 mm
Oznaczenie CE Yes
Opakowanie zbiorcze 48
Waga netto 1 szt. 0.050 kg
Podstawowe informacje
Znamionowa liczba lamp 1 piece
Częstotliwość sieciowa 50/60 Hz

Zapłonniki HID do systemów szeregowych

Charakterystyka urządzenia
  • Zapłonniki są standardowo wyposażone w przykręcane złączki
  • Zapłonniki szeregowe będą działały jedynie w obwodach szeregowych
Aplikacje/Zastosowania
  • Oświetlenie zewnętrzne (najpopularniejsze zastosowanie: oświetlenie dróg i tuneli)
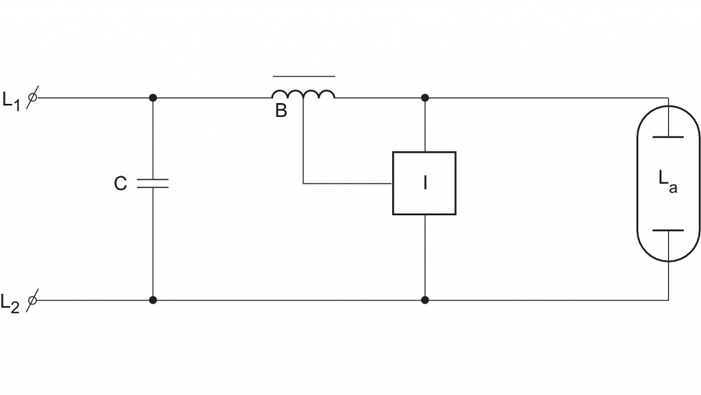
System
  • Electromagnetic system requires ballast, ignitor and capacitor
  • Designed to work only in series circuits
  • No ignitor needed for SON-I lamps

Pozostałe warianty produktu (2)

Polecamy również
 Elektriko Oxy Starter S10
Rated 5.0/5 based on 1 customer reviews
2,20 zł
 Elektriko Startet do świetlówek S2-S10
Rated 5.0/5 based on 1 customer reviews
1,65 zł
 Osram SubstiTUBE Start
Rated 5.0/5 based on 1 customer reviews
9,76 zł
 Elektriko Zapłonnik do świetlówek 4-80W ZTE/2 4…65W, 80W
Rated 5.0/5 based on 1 customer reviews
2,55 zł
 Elektriko Led T8 Fuse
Rated 5.0/5 based on 1 customer reviews
1,12 zł
 Osram Zapłonniki do połączenia pojedynczego, 230V AC
Rated 5.0/5 based on 1 customer reviews
4,38 zł
Żarówka Philips Ecoclick
Rated 5.0/5 based on 1 customer reviews
od 3,39 zł
 Philips Zapłonniki Elektroniczne
Rated 5.0/5 based on 1 customer reviews
55,96 zł
Zapłonnik Philips Starters for tanning lamps
Rated 5.0/5 based on 1 customer reviews
8,19 zł
Zapłonnik Osram Starters for single operation at 230 V AC
Rated 5.0/5 based on 1 customer reviews
3,25 zł
Zapłonnik do świetlówek Kanlux BS
Rated 5.0/5 based on 1 customer reviews
od 1,11 zł
SND 57 220-240V 50/60Hz
Rated 5.0/5 based on 1 customer reviews
Zasilacze, stateczniki, transformatory, zapłonniki / Zapłonniki do świetlówek

Philips

SND 57 220-240V 50/60Hz 29932 29932 29932
184.68 PLN dostępny
P-29932-53225 P-29932-53226 P-29932-53227
Nasze osiągnięcia

e-Gazele Biznesu 2016 e-Gazele Biznesu 2020 e-Gazele Biznesu 2022

Wyróżnienia od Euler Hermes
"Złoty Płatnik 2015"
"Złoty Płatnik 2016"
Złoty płatnik 2015 Złoty płatnik 2016 Eksport

Firma Logisoft - właściciel marki Elektriko - prowadzi nieprzerwanie działalność już 20 lat - od 14 sierpnia 2006 roku. Zaufało nam już 50211 firm. W ofercie posiadamy 18 295 produktów.

Plików cookie używamy do spersonalizowania treści i reklam, aby oferować funkcje społecznościowe i analizować ruch w naszej witrynie.Informacje o tym, jak korzystasz z naszej witryny, udostępniamy partnerom społecznościowym, reklamowym i analitycznym.Partnerzy mogą połączyć te informacje z innymi danymi otrzymanymi od Ciebie lub uzyskanymi podczas korzystania z ich usług. Tutaj możesz dokonać szczegółowych ustawień lub cofnąć zgodę. Więcej informacji znajdziesz w naszej polityce prywatności .