|
Parametry wariantu |
|
Kolor |
10 kolorów, każdy z możliwością wybłyszczania |
|
Wykończenie |
szlifowane aluminium |
|
Waga |
3.70 |
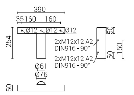
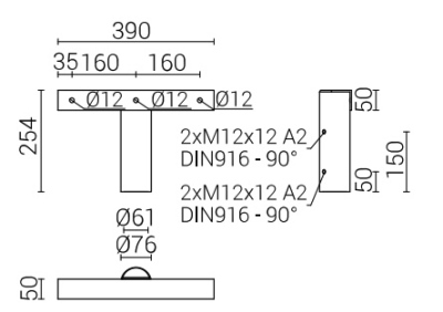
Wysięgnik aluminiowy WM-4
Terminy realizacji zamówień na ten asortyment wynoszą:
- Słupy aluminiowe i wysięgniki - ok. 3 tygodni
- Słupy z tworzywa - 1 tydzień
- Oprawy - ok. 3 tygodni
Do przesyłek paletowych (fundamenty i duże oprawy oświetleniowe) należy doliczyć koszt palety (1 paleta = 70zł netto), paleta jest zwrotna.
Po odesłaniu jej do magazynu wystawiamy korektę.
Złącza słupowe dobiera się na podstawie ilości opraw montowanych na słupie.
Jeżeli na słupie jest jedna oprawa należy zastosować TB1 lub TB11
Jeżeli na słupie jest więcej opraw stosuje się TB2 lub TB12
W przypadku stosowania kabli o cieńszym przekroju stosuje się NTB
Kolory anodowania słupów aluminiowych

Typy zakończeń słupa - dotyczy słupów stylowych typu S

Szczegółowe warunki gwarancji dostępne są na stronie https://new.elektriko.pl/gwarancje.html
Okres gwarancji wynosi:
a) 60 miesięcy – na słupy, maszty, wysięgniki i kinkiety aluminiowe anodowane, z możliwością wydłużenia do 240 miesięcy w dodatkowym oświadczeniu gwarancyjnym, po podaniu przez Kupującego, przed złożeniem zamówienia, informacji o celu nabycia i przeznaczeniu zamawianych Produktów, w tym o miejscu i warunkach ich posadowienia (tj.: miejsce montażu lub zabudowy z uwzględnieniem mostów, wiaduktów, klimatu /morski, górski/, wysokości n.p.m. i p.p.m, etc.) oraz o planowanym łączeniu zamawianych Produktów z innym produktem,
b) 36 miesięcy – słupy, maszty, wysięgniki, kinkiety aluminiowe malowane,
c) 36 miesięcy – na oprawy wysokoprężne i słupki SA,
d) 60 miesięcy – na oprawy aluminiowe anodowane zawierające diody LED,
e) 36 miesięcy – na oprawy aluminiowe malowane zawierające diody LED,
f) 60 miesięcy – na zabezpieczenie elastomerem (w tym 24 miesiące dla zewnętrznej powłoki malowanej i dla powłoki antygraffiti),
g) 120 miesięcy – na słupy i układy ramion o zewnętrznej warstwie z tworzywa sztucznego,
h) 36 miesięcy – na złącza słupowe,
i) 60 miesięcy – na fundamenty betonowe i kosze zbrojeniowe.
Koszt dostawy zamówienia:
»
paczka kurierska do 30kg
19,95 zł netto.
»
paleta EUR o wymiarach 120x80cm
199,00 zł netto.
» Ze względów bezpieczeństwa m. in.
panele solarne, fundamenty oraz
towary wielkogabarytowe wysyłamy na palecie.
»
dostawa słupów odbywa się transportem dedykowanym. Koszt dostawy jest uzależniony od wagi i wymiarów ładunku oraz od odległości od magazynu.
Przykładowe stawki (ceny netto):
- 1x słup 3-6m, 30-100kg, bus, 200km - 500-600zł
- 1x słup 3-6m, 30-100kg, bus, 500km - 600-800zł
- 5x słup 3-6m, 150-500kg, bus, 200km - 600-900zł
- 5x słup 3-6m, 150-500kg, bus, 500km - 700-1000zł
- 10x słup 3-6m, 300-1000kg, bus, 200km - 700-1000zł
- 10x słup 3-6m, 300-1000kg, bus, 500km - 900-1200zł
- 1x słup 7-9m, 50-500kg, solówka, 200km - 700-900zł
- 1x słup 7-9m, 50-500kg, solówka, 500km - 1000-1200zł
- 5x słup 7-9m, 250-2500kg, solówka, 200km - 900-1200zł
- 5x słup 7-9m, 250-2500kg, solówka, 500km - 1200-1600zł
- 10x słup 7-9m, 500-3500kg, solówka, 200km - 1200-1500zł
- 10x słup 7-9m, 500-3500kg, solówka, 500km - 1300-2000zł